1.主要特点:高输入阻抗,低输出阻抗,同相放大,电压增益近似为1。(射极跟随器) 1.主要特点:同相放大,电压增益数值与共射相同,输入电阻比共射小,输出电阻和共射相同。频带宽。 前言: 2.对电流源的主要要求: 1.基本镜像电流源 当β >> 2时,有Io与IR近似镜像(相等),恒流源输出电阻近似于RCE2: 2.两种改进型基本恒流源电路 (b):比例恒流源(带射极电阻的镜像电流源)(RE1≠RE2) 3.威尔逊电流源 4.微电流源 5.多电流源 1.作为直流偏置电路(获得稳定的偏置电流):T2管既是恒流源T1的镜像,又作为共射放大电路的晶体管,ICQ=IO,可令R1=R2,调节R可调节ICQ 1)对于共集电极电路: 2)对于共基极电路: 3)用恒流源作为放大电路有源负载的好处是可以在电源电压不变的情况下,获得较高的电路增益、合适的静态工作点、较宽的动态范围 4)在晶体三极管的三种组态中,既可放大电压也可放大电流的是共射组态,只能放大电压的是共基组态,只能放大电流的是共集组态。 5)由晶体三极管放大电路的直流通路不可以判断晶体三极管的工作组态。一.基本知识点
2.5 晶体管单管放大电路的三种基本组态
2.5.1 共集放大电路(射极输出器、射极跟随器)
2.应用:
(1)作为多级放大的输入级,有较高的输入阻抗,减小输入电压的损失;
(2)作为多级放大的中间隔离(缓冲)级,减小后级较小的输入阻抗对前级增益的影响;
(3)作为多级放大的输出级,提供较小的输出阻抗,提高带负载能力。2.5.2 共基放大电路
2.应用:宽频带放大。2.5.3 晶体管单管放大电路三种基本组态的比较
类别
共射
共集
共基
相位
反相
同相
同相
电压增益
大
小
大
电流增益
大
大
小
放大特性
电压、电流都放大
只放大电流
只放大电压
输入输出阻抗
Ri中,Ro中
Ri大,Ro小
Ri小,Ro大
高频特性
差
好
好
主要用途
功率增益最大,用途最广泛
输入级、输出级和缓冲级
多用于高频电路
2.6 电流源电路及其应用
1.集成电路大量使用电流源电路的原因:
(1)用电流源代替电阻对电路进行直流偏置,既稳定可靠,又可以减小芯片面积;
(2)由于电流源输出电阻很大,用电流源代替晶体管的集电极电阻RC,可以获得极大的电压增益,而工作点电流不用增高;
(1)能够输出符合要求的直流电流;
(2)输出电阻尽可能大;
(3)对温度的灵敏度低;
(4)受电源电压等因素影响小。2.6.1 常见的电流源电路
(1)条件:两只晶体管完全对称;


(2)优点:
①简单、元件小;
②镜像电流源T1对T2具有一定的温度补偿作用。
(3)缺点:
①I0做不到很小,因为在集成电路中难以制作大电阻R;
②Io受VCC影响大;
③Ro不够大;
④镜像精度不高,Io与IR的镜像精度决定于晶体管的β;
⑤Io的温度稳定性不是很好,晶体管的VBE和β军队温度敏感。

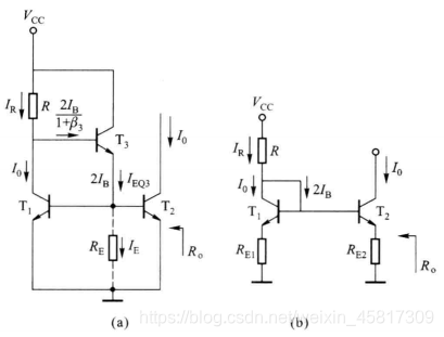
(a):带有缓冲管的镜像电流源电路
①利用T3提供了T1、T2的基极电流;
② 在β不够大时,Io与IR间的差别也较小。输出电阻同基本恒流源:rce2;
③ RE的作用是增大IEQ3的值,避免IEQ3较小导致的β不够大及ICEO3的影响。

通过调节RE1或RE2可以改变电流源的值或Io和IR的比例。该电流源有较大的输出电阻。
(1)电路图:

(2)威尔逊电流源利用负反馈原理构成,具有良好的温度特性及很高的输出电阻。假定由于温度或负载变化使Io加大,则它的镜像电流IR跟着增加,使VBE3下降,从而牵制了Io的增加。
(1)电路图:

(2)说明:电阻RE具有负反馈作用,能够稳定输出电流;由于T2的BE结电压小于T1的BE结电压,所以Io较小(设T1、T2的特性相同)
通过一个基准电流源为多个三极管提供基准电流,可构成多路电流源,图中一个基准电流IR可获得多个恒定电流Io2、 Io2、Io3…。

2.6.2 电流源的主要作用

2.作为有源负载(获得较高的交流负载阻抗)(也作为偏置电路的一部分):调节T1基极直流电位可获得合适的工作点(主要获得VCEQ)。

二.易错点总结
①电压增益小于1但接近于1
②当从基极看过去时,能够将发射极的交流负载电阻变为原来的(β+1)倍
③具有很强的电流驱动能力
④可作为缓冲级使用
①共基电路输入电阻较小
②共基电路的高频特性优于共发射极电路
③共基极电路的电压增益是同相的
本网页所有视频内容由 imoviebox边看边下-网页视频下载, iurlBox网页地址收藏管理器 下载并得到。
ImovieBox网页视频下载器 下载地址: ImovieBox网页视频下载器-最新版本下载
本文章由: imapbox邮箱云存储,邮箱网盘,ImageBox 图片批量下载器,网页图片批量下载专家,网页图片批量下载器,获取到文章图片,imoviebox网页视频批量下载器,下载视频内容,为您提供.
阅读和此文章类似的: 全球云计算
官方软件产品操作指南 (170)